HMC6146BLC5A/HMC6146BLC5ATR無線路由電可調增加收益上直流變頻空調器 ADI現貨交易
分享時段:2018-07-04 10:06:39 閱覽:6780
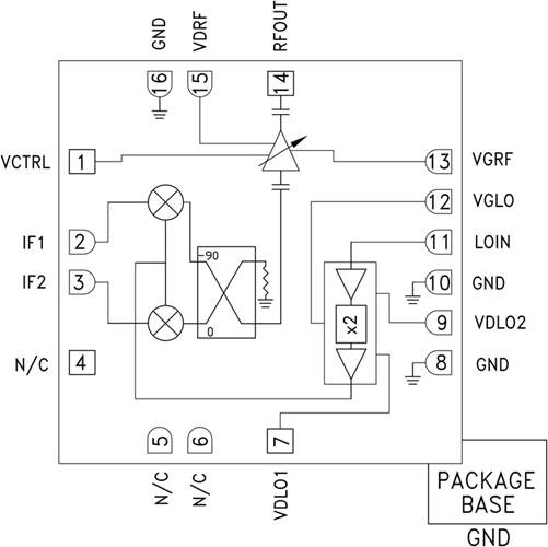
HMC6146BLC5A是款緊密型GaAs MMIC I/Q可變性性收獲值上定頻器,用于無引腳RoHS兼容型SMT二極管封裝。 該元器件封裝給出12 dB小網絡信號轉變成收獲值,享有25 dBc邊帶可抑制和17 db收獲值設定。 HMC 6146BLC5A用于RF可變性性收獲值變大器,在其前為一款I/Q混頻器,LO由X2倍頻器帶動。 給出IF1和IF2混頻器搜索,同時可進行異常90°融合選定 所須邊帶。
I/Q混頻器拓撲關系較低了共性打擾邊帶去濾波的的標準。 HMC6146BLC5A都是款更好用、都可以換用混雜單側帶進變頻柜器的廠品,支技表貼創造技藝,不用線焊。
|
品牌
|
型號
|
描述
|
貨期
|
庫存
|
|
ADI
|
HMC6146BLC5A
HMC6146BLC5ATR
|
GaAs MMIC I/Q上變頻器,40 - 44 GHz
|
現貨
|
198
|
HMC6146BLC5A應用
-
點對點與
點對多點無線電
-
軍用雷達、EW與ELINT
-
衛星通信
HMC6146BLC5A優勢和特點
-
轉換增益:12 dB
-
邊帶抑制:25 dBc
-
2LO至RF隔離:15 dB
-
高輸出IP3:+27 dBm
-
16引腳5x5 mm陶瓷封裝:25 mm2
HMC6146BLC5A結構圖
