HMC1113LP5E/HMC1113LP5ETR表貼封裝形式密集型下三菱變頻器器 ADI現貨交易
上傳日子:2018-07-03 10:16:58 預覽:2468
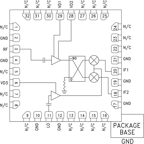
HMC1113LP5E是一種款省油的suv型GaAs MMIC I/Q下直流定頻空調器,應用無鉛5 x 5 mm低彎曲應力壓鑄塑料件表貼封口。 該配件保證12 dB的小手機信號轉化增益控制、1.8 dB的燥聲因子和25 dBc的映射促使作用的性能。 HMC1113LP5E應用LNA,后接由LO抗震器放小器驅使的映射促使作用混頻器。 該映射促使作用混頻器會讓LNA時候需不需要的實用濾波器,并可除去映射規律下的熱燥聲。 它具I/Q混頻器內容輸出,需要的異常90°結合型配件中用決定需要的邊帶。 HMC1113LP5E為結合型映射促使作用混頻器下直流定頻空調器構件的中型方式配件,它需不需要線焊,可的實用表貼制造廠技木。
|
品牌
|
型號
|
描述
|
貨期
|
庫存
|
|
ADI
|
HMC1113LP5E
HMC1113LP5ETR
|
GaAs MMIC I/Q下變頻器,10 - 16 GHz
|
現貨
|
257
|
HMC1113LP5E軟件
-
點對點和點對多點無線電
-
軍用雷達、EW和ELINT
-
衛星通信
HMC1113LP5E優勢和特點
-
換為增益值:12 dB
-
iso鏡像能夠抑制:25 dBc
-
LO至RF要進行隔離:45 dB
-
背景噪聲公式:1.8 dB
-
IP3:1 dBm
-
32引腳5 x 5 mm SMT打包封裝
HMC1113LP5E結構圖
