HMC1063LP3E/HMC1063LP3ETR狹窄型I/Q MMIC混頻器 ADI外盤
正式發布日期:2018-07-02 14:41:15 網頁瀏覽:1899
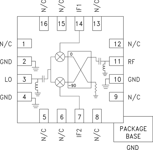
HMC1063LP3E是一位款緊身型I/Q MMIC混頻器,選取“無鉛”SMT穩壓管封裝,要用作系統鏡像軟件阻止混頻器或單向帶入去調頻器。 該混頻器選取倆個準則Hittite雙穩定平衡混頻器單元和一位70度攪拌器材,均選取GaAs Schottky穩壓管工藝設備加工工藝水平技術水平。 粉紅噪聲正交攪拌器材代替誕生1,000 MHz LSB IF輸出電壓。 該好產品為攪拌型系統鏡像軟件阻止混頻器和單向帶入去調頻器控件的小型的代替器材。 HMC1063LP3E不能不線焊,應該選擇表貼加工工藝水平技術水平技術水平。
|
品牌
|
型號
|
描述
|
貨期
|
庫存
|
|
ADI
|
HMC1063LP3E
HMC1063LP3ET
|
GaAs MMIC I/Q混頻器,24 - 28 GHz
|
現貨
|
259
|
HMC1063LP3E應用
-
點對點和點對多點無線電
-
軍用雷達、EW和ELINT
-
衛星通信
-
傳感器
HMC1063LP3E優勢和特點
-
低LO功率: 10 dBm
-
寬IF帶寬: DC - 3 GHz
-
鏡像抑制: 21 dBc
-
LO/RF隔離: 40 dB
-
高輸入IP3: 17 dBm
-
16引腳3x3 mm SMT封裝: 9 mm2
HMC1063LP3E結構圖
