HMC634LC4/HMC634LC4TR驅動安裝放縮器瓷磚表貼二極管封裝 ADI現貨黃金
推送期限:2018-06-29 11:34:17 閱讀:1990
HMC634LC4不是款GaAs PHEMT MMIC帶動縮放器,選取無鉛4x4 mm工業陶瓷表貼封裝,操作平率超使用范圍為5至20 GHz。 該縮放器提拱高達模型21 dB的收獲、+29 dBm的的輸出IP3及+22 dBm的的的輸出輸出阻抗(1 dB收獲降低時),的工作電壓值為180 mA(+5V主機電源)。 HMC634LC4帶動縮放器更加適和操作平率超使用范圍為5至20 GHz的紅外光無線路由電軟件應用,電壓值可偏置為+5V (130 mA)以提拱較低收獲并改善PAE。 隔直縮放器I/O適應50 Ω,免靜態適應元器件。
|
品牌
|
型號
|
描述
|
貨期
|
庫存
|
|
ADI
|
HMC634LC4
HMC634LC4TR
|
驅動放大器,采用SMT封裝,5 - 20 GHz
|
現貨
|
251
|
應用領域
-
點對點無線電
-
點對多點無線電和VSAT
-
混頻器LO驅動器
HMC634LC4優勢和特點
-
增益: 21 dB
-
P1dB: +22 dBm
-
飽和功率:
+23 dBm (17% PAE)
-
單電源電壓: +5V (180 mA)
-
50 Ω匹配輸入/輸出
-
24引腳4x4mm
SMT陶瓷封裝: 16mm2
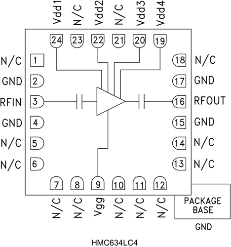
HMC634LC4結構圖
