HMC-APH596/HMC-APH596-SX有級GaAs HEMT MMIC適中最大功率變小器 ADI期貨
發部時段:2018-06-29 11:18:34 瀏覽記錄:1834
HMC-APH596不是款有級GaAs HEMT MMIC中上瓦數縮放器,本職工作規律範圍為16至33 GHz。 HMC-APH596展示17 dB收獲,用+5V電電壓電流時擁有+24 dBm輸入輸出瓦數(1 dB壓縮視頻)。 其他焊盤和電源芯片側面都途經Ti/Au重金屬化,縮放器已完整鈍化以滿足可靠性作業。
HMCAPH596 GaAs HEMT MMIC中等偏上工作電壓縮視頻放器兼容傳統與現代的處理處理芯片貼裝的方法,相應熱壓縮視頻和熱多普勒彩超線電工藝,至關適用MCM和混微三極管采用。 前方出現的其他數值均是處理處理芯片在50 Ω條件下用到RF傳感器沾染精確測量。
|
品牌
|
型號
|
描述
|
貨期
|
庫存
|
|
ADI
|
HMC-APH596
HMC-APH596-SX
|
MMIC中等功率放大器,16至33 GHz
|
現貨
|
323
|
APP
HMC-APH596優勢和特點
-
輸出IP3: +33 dBm
-
P1dB: +24 dBm
-
增益: 17 dB
-
電源電壓: +5V
-
50 Ω匹配輸入/輸出
-
裸片尺寸:
2.55 x 1.87 x 0.1 mm
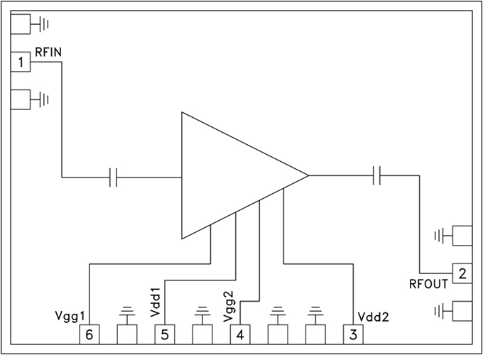
HMC-APH596結構圖
