行業內房產資訊
發表時間間隔:2019-12-27 17:26:00 查看:1769
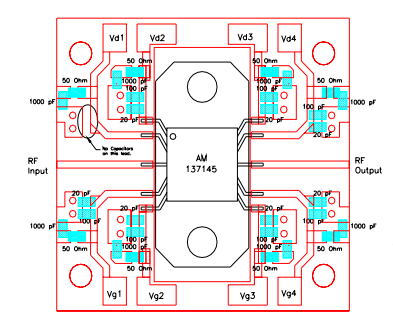
AM13714530WM-SM-R是AMCOM的砷化鎵MMIC額定功率調小器產品系列的那部位在13.75到14.5ghz頻段工作中。它有低于30噪音分貝的增加收益和30聲音頻率模擬輸出功效。調小器封號裝在具有頻射和直流電相連接。產品的組裝活套法蘭有益于變現積極的水冷器效果好通往保護接地水冷器器的方向。

AM13714530WM-SM-R運用
VSAT
美國軍事
AM13714530WM-SM-R為重要性能
頻點:13.75-14.5GHz
增加收益:30
P1dB(DBM):30
PSAT(DBM):31
速率:15
VD(V):8
西安市立維創展科技發展是AMCOM裝修公司總加盟,其主要微波通信網絡帶寬車輛也包括微波射頻結晶體管、MMIC耗油率增加器、混增加器模快、帶寬增加器、高耗油率增加器模快、帶RF和DC聯接器的高瓦數增加器信息模塊和低躁聲增加器,瓦數增加器,按鈕開關,衰減器,移相器及上/底下變頻柜器的制定。