這個行業咨訊
推送的時間:2019-12-20 15:27:36 看:1916
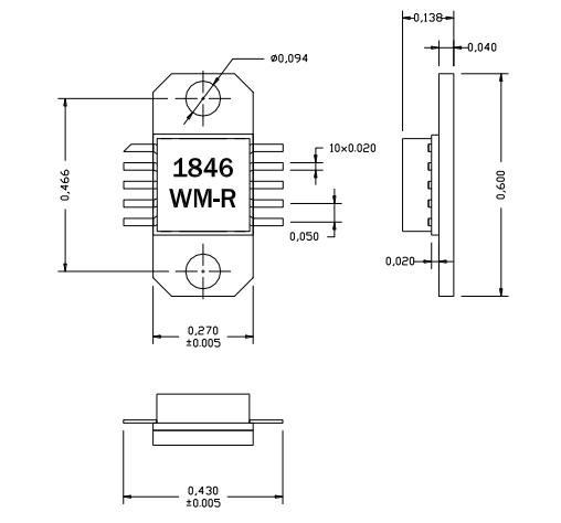
AM184635WM-EM-R是AMCOM的砷化鎵MMIC功率放大器系列的一部分。它有30dB增益和35dBmP1dB,在2.2到4.2GHz頻段。這個MMIC是一個陶瓷封裝,射頻和直流引線都在較低的水平便于低成本的SMT組裝到PC板上。當直接安裝到PCB上時,請參見申請說明AN700。由于高直流功耗,我們強烈建議安裝這些設備直接安裝在金屬散熱器上。AM184635WM-FM-R是安裝在鍍金銅法蘭托架。EM封裝與FM封裝具有相同的封裝尺寸,采用直引線用銅/鎢法蘭代替銅法蘭。法蘭上有兩個螺孔,以便擰上金屬散熱器。這個MMIC是符合RoHS的。

AM184635WM-EM-R功能
從1.8到4.6GHz的聯通寬帶
高內容輸出公率,P1dB=35dBm
高增益控制,30dB
非常相配;50歐姆輸人/效果電位差
AM184635WM-EM-R使用
無線網絡互連接絡網聯接
有線本市環路
雙線無線wifi電
AM184635WM-EM-R關鍵性性能指標
聲音頻率:1.8-4.6GHz
增加收益:30
P1dB(DBM):35
PSAT(DBM):37
效果:25
VD(V):7
北京市立維創展信息技術是AMCOM平臺總經銷商,其基本紅外光光纖寬帶好產品以及微波射頻單晶體管、MMIC電率圖像運放電路、混合式圖像運放電路控制器、移動寬帶圖像運放電路、高電率圖像運放電路控制器、帶RF和DC鏈接器的高效率拖動器功能和低低頻噪音拖動器,效率拖動器,開關按鈕,衰減器,移相器、上/下部變頻柜器的來樣加工。