領域資迅
更新用時:2019-11-27 15:46:48 閱覽:2516
HMC789是ADI品牌的高線形度收獲方案MMIC,該放小器的的工作頻帶寬度位置是810MHz至2.7GHz,是選擇通用的方法規定SOT89裝封。 僅結合似然函數數目的表面開關元件和+5V單電原安全作業,其高輸入IP3為+42 dBm。不適適用蜂窩/4G、放置無線網和WLAN、有線網智能電視機、高壓電纜調試解調器和號碼電臺通信衛星、微波通信無線網電和產品檢驗生產設備和IF和RF用
HMC789關鍵性能:
高輸入IP3: +42 dBm
高收獲: 11dB
單電: +5V
頻率:810M~2.7GHz
增益值:11dB
OIP3:42dBm
全球細則SOT89封裝類型

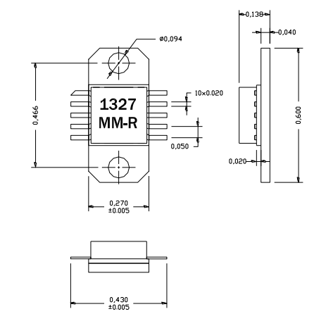
AM132740MM-EM-R調小器是AMCOM子公司的砷化鎵HiFET MMIC電機功率圖像變成電路,該圖像變成電路的速度為1.3GHz至2.7GHz,經過了修正模擬輸出適合,具備22聲貝的收獲和14V時輸入輸出熱效率為38dBm,該MMIC利用淘瓷打包封裝類型,微波射頻和交流電引線均設在打包封裝類型盡量于將低資本SMT拆裝到PC板上。伴隨高直流電工作電壓,我們都慷慨激昂提倡裝置這部分裝置可以直接裝置在金屬材料熱量散發器上。用要素為PCS信號塔、GPS應用領域、MMDS無線路由局域網ip中繼器和14V適用
AM132740MM-EM-R重點參數表:
規律:1.3-2.7GHz
增益控制:26
P1dB(DBM):38
PSAT(DBM):39
成功率:30
VD(V):14
AMCOM放小器的頂級度遠不如ADI,但AMCOM也是國際英文認可度的大高端品牌,質量與成功率能與ADI較之較,最具優缺點的這一點是AM132740MM-EM-R變成器的售價比HMC789具有絕對的優勢,頻率相符、都是高效性產品,深圳市立維創展科技是AMCOM與ADI機構的批發商銷售商。