相關行業信息
發表時間段:2019-11-14 10:56:28 預覽:3364
HMC8410-DIE低噪音分貝放縮器是ADI公司的的一類砷化鎵、單基帶芯片MMIC和假晶高網上移動率結晶管的拖動器,該圖像運放電路實物篩選50 Ω,任務頻帶寬度範圍為0.01 GHz至10 GHz,提供數據19.5 dB其最典型的收獲、1.1 dB類型躁聲公式和33 dBm具代表性所在IP3
HMC8410-DIE低環境噪聲變大器的技術應用行業為工具定意無限電、電子技術戰和聲納技術應用,報價為$32.85
比較重要參數值
頻帶寬度:0.01 GHz至10 GHz
低低頻噪音指數公式:1.1 dB
高增加收益:19.5 dB
高效果三階交調截點(IP3):33 dBm

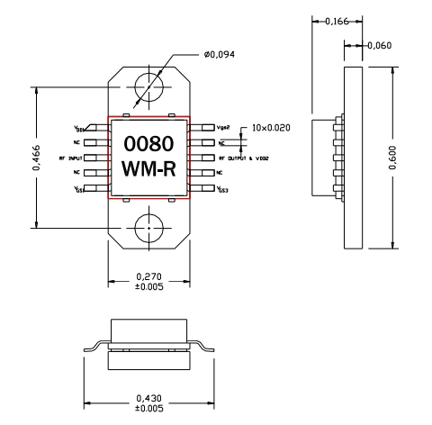
AM008030WM-EM-R放小器是AMCOM司的的一款過寬帶砷化鎵MMIC,該放縮器發送/內容輸出輸入50歐姆,有18聲音頻率的高增加收益,同時還>0.05GHz至10GHz頻段28dBm工作輸出功效。AM008030WM-EM-R的技術應用這個領域為app無線網絡電、儀盤表和收獲塊
比較重要性能參數
頻帶寬度:0.05-10GHz
增益控制:18
P1dB(DBM):30
PSAT(DBM):31
效果:20
VD(V):12
與HMC8410-DIE對比,AM008030WM-EM-R圖像放大儀雖沒有ADI我司的車輛知名度就越高口碑好度就越高,但也是國際上大型廠,另外參數值、軟件也絕僅次于HMC8410-DIE,AM008030WM-EM-R圖像放大儀單價劃算、高特性有時皮實,喜愛詳詢立維創展。