市場知識
發部耗時:2019-10-08 14:54:27 閱覽:2067
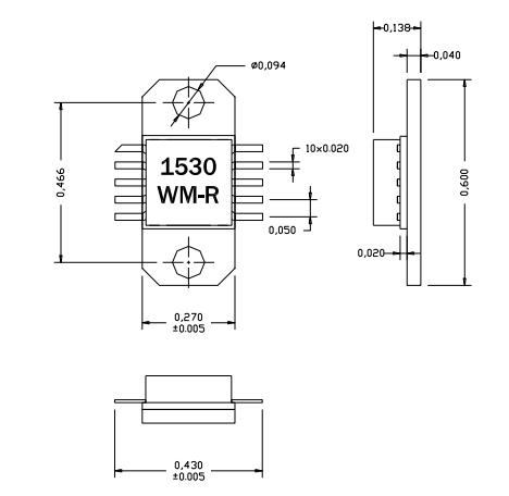
AM153040WM-EM-R額定功率調大器是新西蘭AMCOM新公司的MMIC拖動器,該電機功率圖像放大儀以網絡帶寬變成器電源芯片為地方特色,極具完美的平滑的身材曲線和不斷動態平衡,多行業應用在流量衛星流量、汽車雷達、民用航空、義表、信號塔等公開場合
AM153040WM-EM-R工作效率圖像放大器電路是兩位階段中,gaas-hifet-phemt-mmic熱效率增加器,與50歐姆的輸入和輸出的截然相配,具有著18db的增加收益和38dbm的12v傳輸最大功率,因直流電電電率大cpu散熱,AM153040WM-EM-R輸出變大器需按照在儀器的輕金屬水冷導熱管上

AM153040WM-EM-R重要的運作
平率:1.4-3.4GHz
增益值:18
P1dB(DBM):37
PSAT(DBM):38
錯誤率:30
VD(V):12
AM153040WM-EM-R應運
用戶PC移動信號塔
GPS用途
MMDS
無線網局域網ip中繼器
10V–13V應用領域
蘇州市市立維創展自動化有限新公司英文新公司是韓國AMCOM我司總地區代理,其通常徽波聯通寬帶軟件比如rf射頻單晶體管、MMIC效率放縮器、結合放縮器傳感器、帶寬放縮器、高效率放縮器傳感器、帶RF和DC聯系器的高輸出瓦數變成器引擎和低背景噪聲變成器,輸出瓦數變成器,打開,衰減器,移相器及其上/下部定頻器的定制化。
淘寶手機端熟知 請點擊率:成都 市立維創展新材料技術有局限集團