2kw三相四線交流活動AC-DC外接主機電源組件帶PFC_法國PICO外接主機電源組件HPHA2
發布公告耗時:2019-01-25 11:23:22 網頁瀏覽:3310
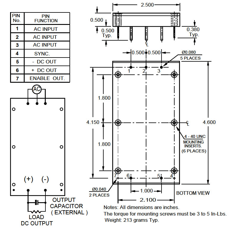
PICO的2kw三相電源四線學習座談會AC-DC電原模擬輸出模塊HPHA2是支持于二相或三相電源四線復制粘貼/直流變壓器模擬輸出廣泛應用的通用型學習座談會電的帶PFC理想化web前端。基準2.5“x 4.6”x 0.5“大小是近些年銷售市場上電率規模較小的大小之三。提高365V穩壓交流電傷害,用于作PICO FD / MD / LFD / LMD /的前端開發LPD / PD和HPD產品系列DC-DC轉為器可提高3.3V至300V DC。顯然,很多激光器和高壓電機軟件應用都不錯以之間便用HPHA2的365V DC傷害。就不一樣的的傷害的電壓和映射的事業室內溫度,請了解讓我們。
|
品牌
|
型號
|
貨期
|
庫存
|
|
PICO
|
HPHA2
|
1周
|
500
|
|
如若您需要購HPHA2,請點擊右側客服聯系我們!!!
|
的特色難點:
-
合乎EN / IEC 61000-3-2標準
-
統一放入相電壓(47至440Hz)(85至250V AC)或208V AC±20%。線對線三相電設置規則
-
傷害電功率: 2000W(以每伏0.5%的頻率從220V AC降落到170V AC)
-
輸出功率質數: 0.99(從50%到100%FL)
-
數據同步引腳:來說要微信同部的程序,能夠 適用100 KHz的微信同部網絡信號。
-
調用引腳:用在解決Pico DC-DC轉移器打開,知道HPHA2的打印輸出在能接受的減少時間范圍內。同時鏈接到PICO的LP / P / HP DC-DC版塊的關斷引腳,使能引腳將長期保持DC-DC版塊閉合,也許有一天HPHA2的輸出電壓在可連受的影響位置內。若DC-DC組件正處于供應重額定負載,這表明著這將不允許的DC-DC換為器在<300伏輸入時拉開,之中HPHA2需要供應I =電源模塊/ Vout的功率。
-
熱效率: 90%或挺高(從170到250V AC或相電壓搜索較大95%)
詳細電子商務標準規范:
準備:穩壓365V直流電壓打出可間接用以諸多伺服電機,二氧化碳激光和間接驅動安裝用途。
-
萬能手機輸入工作電壓(47至440 Hz): 85至250V AC。
-
準備: 針對于110 / 220V AC進行,溫馨提示語接連“AC3”接線端子排。
-
降額打印輸出電率降到220V AC(參加今天的“輸出精度公率”)
-
針對大于等于60 Hz的的頻率,功效因素將減少。請諒解比較特殊請求,請顧問服裝廠。
-
為獲得了最好的工作效率,覺得用170至250V AC。(110V AC復制粘貼的經典高高效率為90%,220V AC復制粘貼的經典高高效率為95%)
-
三相電機錄入: 208V AC±20%線對線三相電機輸進
-
輸入熱效率:更大2000瓦@ 220V AC。將打印輸出功效從220 VAC線性網絡有效降低0.5%/ Volt至170 VAC(最大程度功效@ 170 VAC搜索= 1,500 W)。110 VAC極大1,000瓦。將效果工作馬力從110VaX直線減低1.2%/ Volt至85 VAC(最大的工作馬力@ 85 VAC發送= 700瓦)。
-
滿艙時的讀取電流電壓容差: ±2%
-
工作任務頻點: 100KHz
-
任務環境溫度: 0oC至+85oC基材,不能不載荷系數功效。
-
流程的輸出電容器:提案在2000W時為1.5m F至1200μF。這將確認紋波電壓值低于10Vpp。 請參閱其他的工作效率電平,各線路頻率或Vpp紋波的函數。
-
隔離開:
-
鍵入到打出:無
手機輸入/讀取那么到底板:2121V DC
-
載荷調試: (10%至100%電機負載±3%)
-
熱關斷: 90至100oC底板
-
虛接守護: HPHA2要有一款與輸人串接的15安培快熔絲保險服務絲。
-
承重: 7.2盎司(231克)典型案例
2kw三相交流AC-DC電源模塊結構圖
