行業中資迅
發布了日子:2019-02-25 11:12:58 訪問 :2176
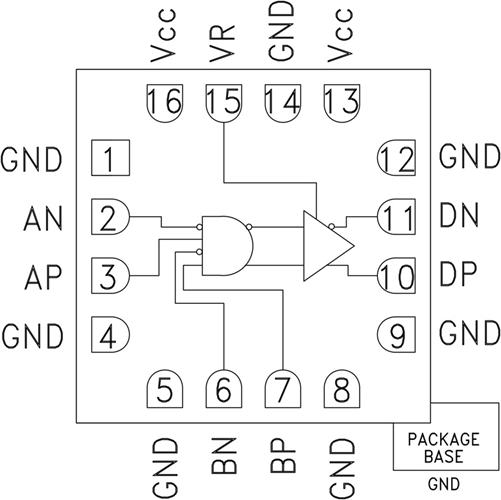
HMC746一種AND / NAND / OR / NOR技能,重要途徑支撐萬代高至13 Gbps的數據資料發送時延和萬代高至13 GHz的秒表次數。HMC746能很易于地增加為能提供一些其他邏輯推理功用:AND,NAND,OR和NOR。HMC746還兼有輸出電壓電平掌握引腳VR,可構建衰減應對或手機信號電平升級優化。
HMC746的擁有輸進和導出訊號均以50歐姆至V cc片內端接,能是聯絡或直流電壓合體。放入和效果可不可以馬上對接到50歐姆至V cc端接系統軟件性,而假設端接系統軟件性一定接地50歐姆,則會的使用隔直電阻。HMC746主要用于+ 3.3V單電供電局,主要用于包含RoHS準則的陶瓷制品3x3 mm SMT二極管封裝。
如果您還要選擇HMC746LC3C,請超鏈接右下人工服務找話題讓我們!!!
品牌
型號
貨期
庫存
ADI
HMC746LC3C
1周
90
使用
優勢和特征
22/21 ps
工作輸出電壓降擺幅:600 - 1100 mV
SMT封裝形式:9mm2
示意圖
