HMC409LP4E/HMC409LP4ETR更高工作效率電功率增加器 ADI現貨交易
發布消息耗時:2018-06-26 11:07:05 閱覽:7547
HMC409LP4(E)是一種款高速度的率GaAs InGaP HBT MMIC公率擴大器,工作任務工作頻率標準為3.3至3.8 GHz。 該擴大器利用了高效率費用、無鉛SMT芯片封裝。 它利用了更少的外觀電子器件,保證31 dB增益值,飽和公率為+32.5 dBm,電原輸入電率為+5V。 公率調控(Vpd)也可以于全節能經營模式或RF輸入公率/交流電調控。 而言+22 dBm OFDM輸入公率(64 QAM, 54 Mbps),HMC409LP4(E)可達到2%的確定誤差失量浮度(EVM),因而需求WiMAX 802.16曲線度規范要求。
|
品牌
|
型號
|
描述
|
貨期
|
庫存
|
|
ADI
|
HMC409LP4E
HMC409LP4ETR
|
1 W功率放大器SMT,3.3 - 3.8 GHz
|
現貨
|
237
|
HMC409LP4應用
-
WiMAX 802.16
-
固定無線接入
-
無線本地環路
HMC409LP4優勢和特點
-
增益: 31 dB
-
40% PAE (+32.5 dBm pout)
-
2% EVM (Pout = +22 dBm)
具有54 Mbps OFDM信號
-
+46 dBm輸出IP3
-
集成功率控制(Vpd)
-
+5V單電源
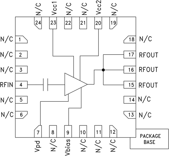
HMC409LP4結構圖
