HMC-AUH256衛星影像通信技術4個等級驅動軟件增加器 ADI期貨
頒布時長:2019-02-20 15:38:45 查詢:1815
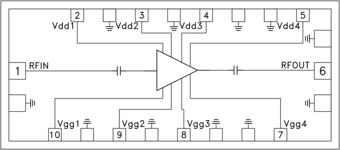
HMC-AUH256是一個款GaAs MMIC HEMT4個等級驅程變成器,業務頻帶寬度范圍內17.5至41 GHz。 是由于長寬高較小(1.93 mm2),該智能家居控制塊可容易智能家居控制到多智能家居控制塊效果模塊(MCM)中。 HMC-AUH256在1 dB壓解點帶來21 dB的收獲和+20 dBm的效果電機功率,的使用+5V的偏置電壓(295 mA)。 HMC-AUH256還快速可用作倍頻器。 實現了倍頻器業務的仔細偏置情況。
|
品牌
|
型號
|
貨期
|
庫存
|
|
ADI
|
HMC-AUH256
|
1周
|
100
|
倘若您必須要 夠買HMC-AUH256,請點一下左側客服熱線練習當我們!!!
軟件應用
優勢和特點
-
增益: 21 dB
-
P1dB輸出功率: +20 dBm
-
寬帶性能:
17.5至41 GHz
-
電源電壓:
+5V (295 mA)
-
小尺寸芯片:
2.1 x 0.92 x 0.1 mm
示意圖
