AD7980BRMZ系數改換器ADC 代理費現貨交易
發布信息時間段:2019-02-18 14:46:26 瀏覽網頁:2021
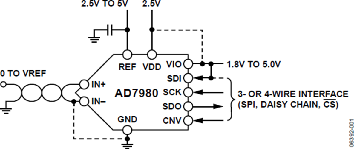
AD7980BRMZ是款16位、逐次靠近型法向齒轉為器(ADC),用于單電原(VDD)供氣。它內部自帶一名低能耗、飛速、16位采樣系統系統ADC和一名多職能串行服務器端口服務器端口。在CNV下降沿,該元器對IN+與IN-相互間的模擬機鍵入電阻差通過采樣系統系統,規模從0 V至REF。系數電阻(REF)由靜態帶來了,還有需要單獨于電原電阻(VDD)。能耗和吞吐速度呈非線性的變化問題。
SPI兼容串行音頻接口還就能夠使用SDI投入,將多少個ADC以黃菊花鏈的方式進行連接到一道3線式系統總線上,并具備可供選擇的忙碌顯示。選用獨力開關電源VIO時,它與1.8V、2.5V、3V和5V規律兼容。
AD7980BRMZ主要采用10引腳MSOP封口或10引腳QFN (LFCSP)封口,事情溫差空間為?40°C至+125°C。
|
品牌
|
型號
|
貨期
|
庫存
|
|
ADI
|
AD7980BRMZ
|
1周
|
20
|
要是您須得購AD7980BRMZ,請點選一側電話客服溝通大家!!!
AD7980BRMZ用途
AD7980BRMZ優勢和特點
-
16位分辨率、無失碼
-
呑吐速率:1 MSPS
-
低功耗
4 mW(1 MSPS,僅VDD)
7 mW(1 MSPS,總功耗)
70 μW (10 kSPS)
-
INL:典型值±0.6 LSB,最大值±1.25 LSB
-
信納比(SINAD):91.25 dB(10 kHz時)
-
THD:-110 dB(10 kHz時)
-
欲了解更多特性,請參考數據手冊
AD7980-EP搭載防務和航班航天科技采用(AQEC規則)
-
下載AD7980-EP數據手冊(pdf)
-
受控制造基線
-
唯一封裝/測試廠
-
唯一制造廠
-
增強型產品變更通知
-
認證數據可應要求提供
-
軍用溫度范圍(?55℃至+125℃)
-
V62/12640 DSCC圖紙號
AD7980BRMZ示意圖
