AD7980ARMZ法向齒改換器(ADC) 代理加盟現貨平臺
發布信息事件:2019-02-18 14:00:32 搜素:1883
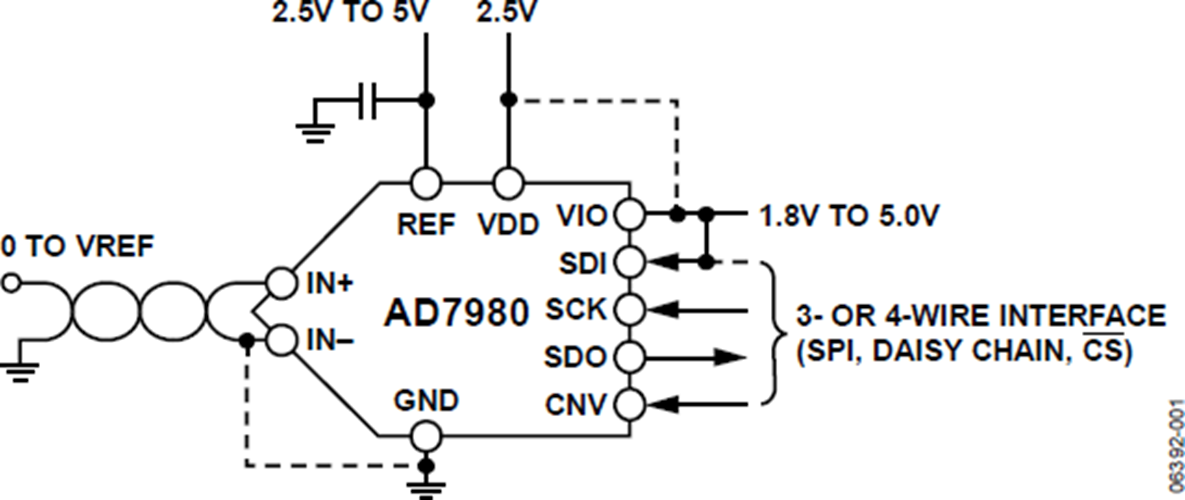
AD7980ARMZ也是款16位、逐次將近型法向齒裝換器(ADC),采取單交流電源線(VDD)輸電。它內部自帶一位低功用消耗、公路、16位采集ADC和一位多功用串行接口方式端口號。在CNV上升的沿,該功率器件對IN+與IN-期間的養成設置線電阻值差來采集,領域從0 V至REF。基準點線電阻值(REF)由外鏈供應,而且需要自由于交流電源線線電阻值(VDD)。功用消耗和吞吐傳輸率呈直線轉化感情。
SPI兼容串行接頭還要能回收利用SDI設置,將幾種ADC以白菊花鏈模式接觸到眼前這條3線式系統總線上,并提高可供選擇的正忙警示。采用了獨特開關電源VIO時,它與1.8V、2.5V、3V和5V規律兼容。
AD7980ARMZ分為10引腳MSOP裝封或10引腳QFN (LFCSP)裝封,業務溫濕度標準為?40°C至+125°C。
|
品牌
|
型號
|
貨期
|
庫存
|
|
ADI
|
AD7980ARMZ
|
1周
|
50
|
若是您需要購AD7980ARMZ,請點選右方克服連接我門!!!
AD7980ARMZ用途
AD7980ARMZ優勢和特點
-
16位分辨率、無失碼
-
呑吐速率:1 MSPS
-
低功耗
4 mW(1 MSPS,僅VDD)
7 mW(1 MSPS,總功耗)
70 μW (10 kSPS)
-
INL:典型值±0.6 LSB,最大值±1.25 LSB
-
信納比(SINAD):91.25 dB(10 kHz時)
-
THD:-110 dB(10 kHz時)
-
欲了解更多特性,請參考數據手冊
AD7980ARMZ能夠防務和航空航空用(AQEC標準)
-
下載AD7980-EP數據手冊(pdf)
-
受控制造基線
-
唯一封裝/測試廠
-
唯一制造廠
-
增強型產品變更通知
-
認證數據可應要求提供
-
軍用溫度范圍(?55℃至+125℃)
-
V62/12640 DSCC圖紙號
AD7980ARMZ示意圖
