HMC311LP3異質結雙正負極多晶體管 ADI現貨平臺
分享時:2019-02-18 10:05:38 瀏覽訪問:1620
HMC311LP3是一種款GaAs InGaP異質結雙旋光性單晶體管(HBT)收獲控制控制交流電源模塊MMIC SMT調大器,的工作速率使用范圍為DC至6 GHz。 此款3x3mm QFN封裝調大器能用的 作級聯50 Ohm收獲控制控制級或使用在驅使的傳輸效率達到+17 dBm的HMC混頻器LO。 HMC311LP3(E)提高14.5 dB的收獲控制控制,+32 dBm的的傳輸IP3,此外僅需+5V交流電源提高56 mA電壓電流。 用到的的達林頓反應對可變低對常規工序變化的靈敏度,提高優異的氣溫收獲控制控制相對穩明確,只需較少的第三方偏置組件。
|
品牌
|
型號
|
貨期
|
庫存
|
|
ADI
|
HMC311LP3
|
1周
|
60
|
倘若您必須要購HMC311LP3,請單擊一側軟件客服關聯咱們!!!
HMC311LP3應該用
-
蜂窩/PCS/3G
-
固定無線和WLAN
-
有線電視和電纜調制解調器
HMC311LP3其優勢和優點和缺點
-
P1dB輸出功率: +15.5 dBm
-
輸出IP3: +32 dBm
-
增益: 14.5 dB
-
50 Ohm I/O’s
-
16引腳3x3 mm SMT封裝: 9mm2
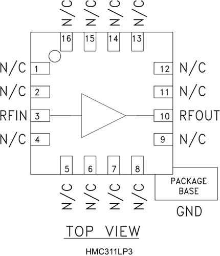
HMC311LP3結構圖

深圳市立維創展科技代理銷售ADI現貨產品,致力于為廣大客戶提供低價格、高質量、有保障的產品,提供優質的售前與售后服務技術。如您有任何產品需求以及服務請聯系我們客服人員,我們會再第一時間內為您解決問題。