制造行業咨詢
公布的準確時間:2019-02-15 10:36:27 瀏覽訪問:1839
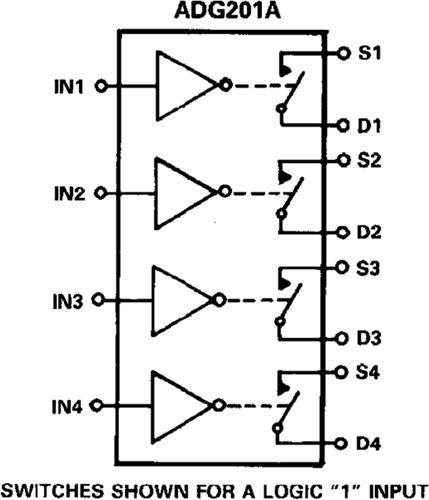
ADG201AKNZ/ADG201AKPZ是一個款單存儲芯片CMOS電子元器件,內部設置有以下獨立空間可選裝的控制開關。這些適用不斷增強型LC 2 MOS工藝技術規劃,可提供了±15 V的更高一些4g信號外理專業能力。等按鈕開關按鈕還含有高按鈕開關按鈕時速和低R ON。
ADG201A按鈕在應當的調整設置上連接語言表達低電平。當ON時,每種按鈕在一個方學習導電性完全相同,還每種按鈕都極具延申到主機電源的輸入表現范圍內。所有控制打開都體現了先開后合的控制打開運作,需用于多路多路復用器技術應用。設計方案固定性的是低正電荷釋放,便在鎖定數字化導入時保持輕柔的瞬態。
要是您必須 購ADG201AKNZ,ADG201AKPZ,請彈窗右則客戶服務聯絡各位!!!
品牌
型號
貨期
庫存
ADI
ADG201AKNZ
ADG201AKPZ
1周
100
強勢和特質
ADG201A-EP使用飲水機和國際航空航空工業用途(AQEC準則)
結構圖

深圳市立維創展科技代理銷售ADI現貨產品,致力于為廣大客戶提供低價格、高質量、有保障的產品,提供優質的售前與售后服務技術。如您有任何產品需求以及服務請聯系我們客服人員,我們會再第一時間內為您解決問題。