業內最新資訊
發布了時候:2019-02-14 10:45:43 網頁瀏覽:1720
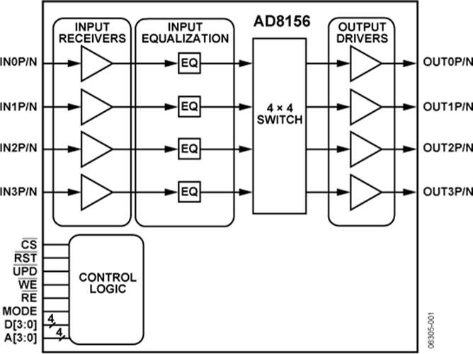
AD8156ABCZ歸屬Xstream系列的新產品,也是款高速的、已經差成績字平行式點面板啟閉。該配件能夠用于4 × 4平行式點面板啟閉,具備雙鎖存式貯存器,準許與此同時更行;或許用于雙短信通道2 × 2平行式點面板啟閉,并帶來了會所在調控功能表。最后還具備低運行電壓測試的特點;以3.3 V供氣供氣,還有就是每個所在和設置均等化器均保持良好生活壯態時,常見運行電壓測試為700 mW。它能以DC至6.25 Gbps(每網絡端口)條件內的其中數據資料頻率運行。
AD8156的不同鍵入入口均內置式一些可程序編程鍵入義均器,用作賠賞背板無線信號耗用。 AD8156的高鍵盤復制粘貼可兼容交流信息解耦和直流電源解耦3.3 V、2.5 V或1.8 V CML,并且 3.3 V LVPECL數據分析電平。控制接口標準為LVTTL和LVCMOS兼容型(3.3 V)。要為簡單格局、盡或者才能減少阻抗搭配不搭配想象,該電子元器件還集成為所以需要的鍵盤復制粘貼和讀取端接電阻功率。鍵盤復制粘貼穩定器和不要用的讀取能否分次阻止,為了使功能損耗降下來最底。 AD8156ABCZ用到49引腳、8 mm × 8 mm、BGA裝封,引腳排距為1 mm;上班溫度超時間范圍為?40°C至85°C工業品溫度超時間范圍。
| 品牌 | 型號 | 貨期 | 庫存 |
| ADI | AD8156ABCZ | 1周 | 50 |
軟件
AD8156ABCZ結構圖
