HMC487LP5E/HMC487LP5ETR采取SMT封口2瓦特電率調小器 ADI期貨
公布周期:2018-06-25 15:48:33 觀看:2521
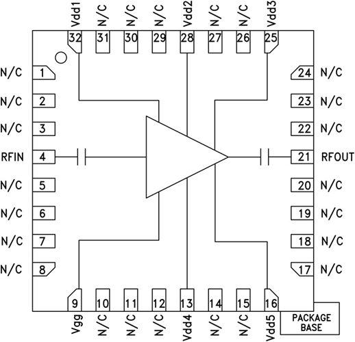
HMC487LP5(E)就是款高動向比率GaAs PHEMT MMIC 2瓦特額定工作輸出圖像線電壓調小器,用于無引腳5x5 mm接觸面貼裝封裝。 該圖像線電壓調小器在9至12 GHz的率下運轉,可以提供20 dB的增益值、+33 dBm的過飽和額定工作輸出和20%的PAE,電源模塊線電壓為+7V。 工作輸出IP3為+36 dBm(常見值)。 RF I/O為隔直端口設置,并搭配至50Ω,動用便捷。 HMC487LP5(E)必須線焊,不能動用接觸面貼裝制造方法方法。
|
品牌
|
型號
|
描述
|
貨期
|
庫存
|
|
ADI
|
HMC487LP5E
HMC487LP5ETR
|
2瓦特功率放大器,采用SMT封裝,9 - 12 GHz
|
現貨
|
223
|
HMC487LP5應用
-
點對點無線電
-
點對多點無線電
-
測試設備和傳感器
-
軍事最終用途
HMC487LP5優勢和特點
-
飽和功率: +33 dBm(PAE為20%時)
-
輸出IP3為+36 dBm
-
增益為20 dB
-
+7V、1300 mA電源
-
50 Ω匹配輸入/輸出
-
25 mm2無引腳SMT封裝
HMC487LP5結構圖
