HMC515LP5E/HMC515LP5ETR雙正負極納米線管 ADI代理加盟現貨平臺
推出時間:2019-01-23 09:49:37 搜素:2075
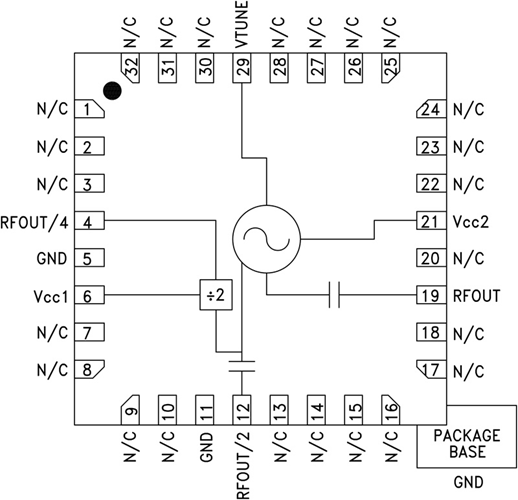
HMC515LP5E就是款GaAs InGaP異質結雙正負多晶體管(HBT) MMIC VCO。 HMC515LP5(E)集成為諧振器、負電阻值pcb板和變容肖特基二極管,可所在半頻,并給予四分頻所在。 基于振動器的單IC芯片框架,VCO的相位躁音效能在工作溫度、沖擊力和施工工藝標準下均比較精湛。 分為+5V供電線交流電壓時,所在工作功率為+10 dBm(基本特征值)。 只要不是需要,可不可用預分頻器能力以合理節省功率。 該線交流電壓設定振動器分為無引腳QFN 5x5 mm表貼裝封,免外接篩選pcb板。
|
品牌
|
型號
|
貨期
|
|
ADI
|
HMC515LP5E
HMC515LP5ETR
|
1周
|
|
如若您需要購買HMC515LP5E/HMC515LP5ETR,請點擊右側客服聯系我們!!!
|
運用
-
VSAT無線電
-
點對點/多點無線電
-
測試設備和工業控制
優勢和特點
-
雙路輸出: Fo = 11.5 - 12.5 GHz
Fo/2 = 5.75 - 6.25 GHz
-
Pout: +10 dBm
-
相位噪聲: 典型值為-110 dBc/Hz(100 kHz)
-
無需外部諧振器
-
QFN無引腳SMT封裝,25 mm2
格局圖
