服務業資訊新聞
分享耗時:2018-06-25 14:52:49 瀏覽器:2022
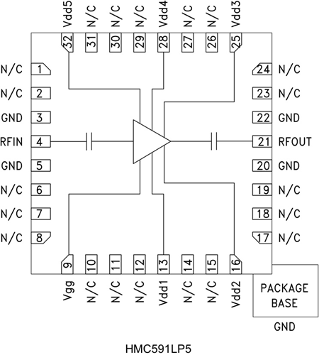
HMC591LP5(E)是一種款高最新范圍內之內GaAs PHEMT MMIC 2 W電機電功率放小器,運作頻率范圍內之內為6至9.5 GHz。 該放小器具備了18 dB增益控制,過飽和電機電功率為+33 dBm,24v電源相電壓為+7V (19% PAE)。 此放小器適應50 Ω,需不必須要一切外觀器件,RF I/O通過隔直,以具備了比較穩定的安全性能。 相對必須要最好的OIP3的操作,Idd應設備為940 mA以造成+41 dBm OIP3。 相對必須要最好的內容輸出P1dB的操作,Idd應設備為1,340 mA以造成+33 dBm內容輸出P1dB。
品牌
型號
描述
貨期
庫存
ADI
HMC591LP5,HMC591LP5E
HMC591LP5ETR,HMC591LP5TR
2 W功率放大器,采用SMT封裝,6.0 - 9.5 GHz
現貨
158
HMC591LP5優勢和特點
+33 dBm (20% PAE)
