較近碰上有些小哥伴考慮一家話題,說是2.92mm微波通信聯接器,此2.92什么事實呢?
這里英文立維的過程師收納了下述部分素材,與我們微信分享一下吧。
厘米波對接器按長度細分
頻射徽波科技領域的進行接插件,還有一個種規劃類型方式方法下面:
A) 2.92mm K型拼接器 (用于18GHz、27GHz、36GHz、40GHz)
B) 2.40mm 拼接器 (適于18GHz、27GHz、36GHz、40GHz、50GHz)
C) 1.85mmV型相聯接器 (適用性18GHz、27GHz、36GHz、40GHz、50GHz、67GHz)
D) 1.0mm W型接入器 (實用18GHz、27GHz、36GHz、40GHz、50GHz、67GHz、110GHz)
E) 0.9mm 徽型迷你型相連器 (選用18GHz、27GHz、36GHz、40GHz、50GHz、67GHz)
毫米(mm)波相接插件結構類型
另外K型進行防水接入器可承載過重,這個是需要注意的,液晶屏要控制在適合的數量內40GHz下范圍之內的公厘波應運,而首要的公厘波市面產品都有40GHz,這也影響K型進行防水接入器在了巨大的需求分析。

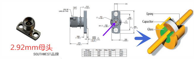
人們用出現一頁圖試對,2.92mm是鏈接方式器服務心中外導體的內徑,唯有就是說現實情況新廠品的外導體的內徑的圖片圖片尺寸有很多規格,但以2.92mm為服務心中比率,以適應性各不相同的輸入鏈接方式器新廠品的圖片圖片尺寸。
毫米(mm)波相接插件寸尺型號名字的由來
提過2.92mm 、2.40mm、1.85mm、1.0mm、0.9mm這款寬度規定,需求有到厘米波的主波長。
頻繁 | 光波長 | 頻繁 | 吸光度 |
| 18GHz | 16.67mm | 50GHz | 6.00mm |
| 27GHz | 11.11mm | 67GHz | 4.48mm |
| 36GHz | 8.33mm | 110GHz | 2.73mm |
| 40GHz | 7.50mm | 140GHz | 2.14mm |
從IEEE準則規則里查詢,mm波相連器的導體長寬高,每區別千分之首mm,也會影響到到mm波的傳遞相位階段變化。而mm波的頻帶寬度越高,這樣的導體長寬高gps精度和遇到面純度、鋪布度、接面層次也可以會高的的標準,長寬高公差近乎千分之五mm ,每一項個相位的誤差率的計算時間也就使得VSWR的誤差率。
公厘波的借款用途中,一些多于40GHz的工作就是精細測驗借款用途,故而要把另一個輕金屬形式件激光加工到如此的精確度,一些顧客情愿抉擇國外進口品脾的公厘波接觸器品牌,如荷蘭SOUTHEWEST、THUNDERLINE-Z
公分波接連器互更換性
不相同品種的mm波進行接插件替換正確:
2.92mm相射頻連到器能夠與SMA、3.5mm相射頻連到器更換
2.4mm銜接器是可以與SMA、3.5mm、2.92mm銜接器兼容性測試
1.85mm接入器能能與2.4mm接入器自適應
1.0mm聯接器始終無法一些外形尺寸兼容
中文翻譯
護膚品選擇輔導