貴州稻城海子山,均勻海潑4410米。以前人跡罕至的空間,一款直徑1.36平小公里長的測探陣列請稍等收緊按裝,近萬個測探器將一探世際之謎——高激光銀河系線來源。
去年的6月19日,歐洲國家很大信息技術條件措施高海潑星體線監測站(LHAASO),流入集結裝配階段中,。中國大陸自動最新發明的2270只高期限簽別率的光學飆升管將在該體系中揮發要素意義。與此而且,干里之中的陽江中微子測試軍事基地也即將到來了10000只國產系列20屏幕尺寸微清算通道板型光學飆升管,其觀測出色率平均達成30%這,出色勝過國外的類似物料關卡。
光電科技產品公司持續增長管是高可熱學實驗設計的重要的通用型構件,被又稱中微子實驗設計中新核心技術的上限、最重要的的電子元件之1。近年來,目前在我國已突破國家朋友的壟斷競爭,順利研制成功初生界標桿的超性能方面205英寸微入口通道板型光電科技產品公司持續增長管,避免了目前在我國大實驗水利的“卡脖頸”故障 ,推動真空度光電科技產品公司試探電子元件行業的自主學習閉環優質化量發展前景。

(光電技術翻番管陣列)
而關東店南街中山市開平市,底下700米深居。這些將要規劃一座什么超大型底下中微子發現實驗英文室,宛若科幻大劇里的未來的發展社會:有一個直經35米球型的發現器,內外是2萬立方米明亮的介質一閃一閃體,外界直經為40米的鋼成分上衣有20000只20屏幕尺寸和25000只3屏幕尺寸光學培增管,這些搭建的發現器浸泡在直經為43米的圓錐形機體。
生活中微子到圓柱狀檢測器,在規則化烷基苯為中心的介質液體閃動體中,也會以很小的概率計算發生β衰變,收到極端絢爛的光。而圓柱狀檢測器外邊的光電子飆升器仿佛“調小鏡”,要及時抓拍到絢爛的光并有效的轉化為中國電信號調小所在,才可以檢測到幽魂般中微子的行蹤。
中微子是個詭異莫測的混蛋。最先,人體看做結構的物質環境的最長行業是水分子團。到20個世紀初,科學研究家們感覺,水分子團是由質子、中子和光電結構。到現在,患者又不知道,更小的最基本激光束是夸克和輕子。中微子就都是輕子。
三十節前,華人科學的合理院博士、華人科學的合理院高激光初中物理探析探討所庭長王貽芳有著個勇于的方法,采用了日本產20英尺光電公司科技技術持續增長管投建陽江中微子實驗培訓基地,并強調了當下光電公司科技技術持續增長管的專利技術設置方案怎么寫。如果,保持該方法依然比探析探討中微子愈加困難的。但是,內部僅能種植2英尺下列小尺寸規格光電公司科技技術持續增長管,投入上不行接手,性能指標上也距讓甚遠。
“美國濱松裝修平臺壟斷的市場了歐洲90%大于的光電技藝工藝飆升管的市場市場占有率,高檔產品設備對中國可以技藝工藝入侵。”東北三省夜視技藝工藝控股股東有限制裝修平臺揚州分裝修平臺總總監孫建寧無可奈何地預兆。若果中國未能加工大尺寸圖、高效能光電技藝工藝飆升管,任何都將依附于人。
2008年,我國在惠陽大亞灣修建中微子實驗室。適用到的2000多8英尺光電科技增漲管,全部的由澳大利亞合作關系者從濱松品牌買入。
與之比起,上世經80時期,韓國神岡中微子實驗室通過的是濱松品牌20屏幕尺寸規格光電培增管。該實驗室進入動用近一年來,開發了四項諾貝爾電學學獎。磨刀不誤砍柴工,磨刀不誤砍柴工。20屏幕尺寸規格光電培增管作為我們國家大合理系統化項目須要攻陷的壁壘。201一年,由中國人合理系統化院一般電學科學研究探討所領導小組,華北地區夜視系統化股分較少品牌、中科院科學研究院蘭州光電技術高精密模具制造廠科學研究探討所、中核操控系統化股分較少品牌和長沙大學考研等根據大尺寸規格微清算通道板型光電培增管科技成果轉化的合作組。
經由3年系統性設施革新,出色開發出應應用于大地理學項目 裝置中微子偵測用20英尺性能方面模式參數微入口入口通道板型光電科技系統性設施凈增管。該車輛設施的全方位的性能方面參數達標世紀為先進橫向,這里面那部分招生指標不超世紀同行競爭。“的提升光電科技系統性設施凈增管的偵測利用率是最目標的系統性設施之六,它比如量子利用率和收藏利用率兩位方面。不同之處日如今選取的以往不銹鋼打拿極型光電科技系統性設施凈增管凈增行為,我們公司選取微入口入口通道板作為一個光電凈增設施來實現了光電縮放,光電收藏利用率達標98%超過,而使不斷提高在量子利用率基礎差不多的具體情況下,偵測利用率戰勝日這車輛類別設施的。”孫建寧分享,我們還開發了世紀上最大程度的高真空室適當轉移設施,還科學研究一車輛系列的提升車輛設施的系統性設施招生指標的新系統性設施,諸如此類低放射性物質性本底系統性設施,高增加收益、長保修期等。
各個于研發中微子,海子山里的LHAASO監測站,瞄向的是世界上線發源。世界上線隨身攜帶著世界上發源、天體衍變等宏觀角度個人信息,是傳接“世界上事情件”的信使。自19十二年世界上線被遇到十八大以來,我們人類永遠沒能遇到它的發源,變成“世際之謎”。中國人專業院微高物理上的研發所副研發員高博講解說,LHAASO監測站中央軍事不是個“大地下室集水井”——一般包括3000個試探單元測試的切倫科夫試探器。高事件辨別率的光電子技術應用產品凈增管要對單光量子等級分類的光訊號參與研發,拾取到地下室集水井空細顆粒物的每項個微高伽馬光譜線的痕跡,進而研發微高世界上線的形成機制化。201八年6月,各國自主化科研的高事件辨別率20英尺微緩沖區板型光電子技術應用產品凈增管真正興起,其兼有渡越事件離散小、事件同樣性好、暗燥聲小等顯著特點。201八年10月,北方地區夜視技術應用控股股東非常有限品牌好進標LHAASO內容大盡寸光電子技術應用產品凈增管所有 客戶訂單。
“在20英尺微清算通道板型光電公司產品材料持續增長管的技術設備理論知識上,人們跟據天體探測器,也說是LHAASO創業項目的業務需求,發明出了高精力辨別率的光電公司產品材料持續增長管。”孫建寧介召,精力辨別率是對光信號燈抵達光電公司產品材料持續增長管精力的精確度高校正計算精度,精力辨別率越高,就能對伽馬放射線的的方向精確度高校正越精確度高。
在相關專業市場,微電子子材料科技翻番管(PMT)既在低能力學,也在核藥學、中國核工業化紫裝、光譜圖檢測等應用軟件,其微電子子材料科技負極中,原本引發的網上過程KV級的多于電勢提速,引發較高的內部增益控制。這種電勢差使網上碰撞翻番管打開網頁,所以引發次級網上,過程接下來二級翻番累積的微電子子材料科技流為變小器的信號,結果被陽極采集。陽極采集的微電子子材料科技流基本傳送數據到跨阻變小器,將電流量轉化成為電阻值進三步變小。

在現階段的替換電原輸電中,有用到電原模塊電源,留存更多現象:
1. 電源效率低,同時發熱量大;
2. 產品體積大,可靠性低,無法滿足高端應用;
如在美國進口量茶葉品牌的微電子飆升管似的,咱們如所需達到更高些耐腐蝕性的成品闡述,則所需側重考慮一下高壓電電板塊這個零部件。
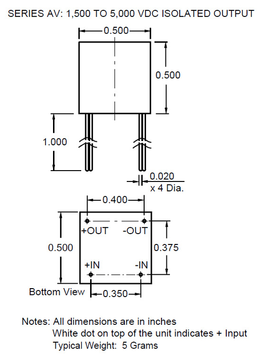
美利堅PICO工司打造高不穩DC-DC超高壓24v電源模塊電源品牌類別,更好滿足1500~10KVdc讀取,球體積僅0.500" x 0.500" x 0.500",凈重僅為5g,放入電流值標準圖包擴5, 12, 15, 24, 28, 和48 Vdc,讀取電流值精密度±3%,品牌具有美國陸軍標MIL-STD 883,不能不自加,散熱處理片,不穩操作標準圖-55℃ to +125℃ 。
PICO為光電產品飆升管整體供應較好的電壓信息摸塊相匹配,一起PICO的超高壓電壓信息摸塊產品,可建議使用在預警雷達、機載整體等不近人情生活環境。

漢語
技術應用例子