中文翻譯
LA302 Z–10GHz差分限制放大器
LA302 Z–10GHz差分限制放大器高信息通信系統16針塑料管QFN封裝類型監測率:限幅放縮器鍵入網絡帶寬:10 GHzSFDR:
LA310Z–8.3 GHz差分限制放大器
LA310Z–8.3 GHz差分限止變成器抽樣率:限幅變成器導入速率:10 GHzSFDR:
10 Gbps跨阻放大器 TA205C
10 Gbps跨阻圖像功率放大器 TA205C用途:10 Gbps跨阻縮放器(5V)
LD162D? 差分激光二極管驅動器
OC-192/STM-64/10GbELD162DZ\U_G0 差分脈沖光二級管win7驅動32針QFN封裝類型實用功能:差分TOSA安裝驅動(5V)
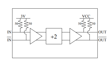
14GHz Divide-by-2 DV002
14GHz Divide-by-2 DV002分頻比:2石英鐘頻繁 :14 GHz特點:低耗電量
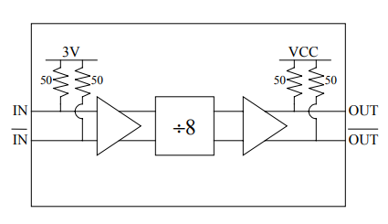
14GHz Divide-by-8 DV008
14GHz Divide-by-8 DV008分頻比:8秒表頻繁 :14 GHz特征:低電量
特征:低電量
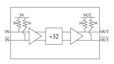
14GHz Divide-by-32 DV032
14GHz Divide-by-32 DV032分頻比:32鬧鐘平率:14 GHz特征描述:低電容量
12GHz Dual-Modulus Divide-by-4/5 DV45D
12GHz Dual-Modulus Divide-by-4/5 DV45D分頻比:4/5掛鐘的頻率:12 GHz基本特征:雙模量4/5
10GHz Programmable Divide-by-2 to 31 DV31P
10GHz Programmable Divide-by-2 to 31 DV31P分頻比:2?31鬧鐘幾率:10 GHz特證:可編寫程序齒條參數2?31
8GHz Programmable Divide-by-128 to 255 DV255N
8GHz Programmable Divide-by-128 to 255 DV255N分頻比:128?255掛鐘概率:8 GHz基本特征:可源程序變位系數128?255
共2頁40條數據